Sway Struts & Sway Brace

Sway Strut (Standard and Mini) Assemblies

Sway braces are used for controlling vibration, absorbing shock, leading/guiding/restraining the movement of pipe resulting from thermal expansion and bracing a pipe line against sway.

Sway Brace

Sway struts are used to restrain movement of piping while allowing for movement in the other two directions.

Sway Brace Features
    • Vibration is opposed with an instantaneous counter force bringing the pipe back to normal position
    • A single pre-loaded spring provides two-way action
    • One spring valve saves space and simplifies design
    • Spring has 3” travel in either direction
    • Accurate neutral adjustment assured
    • Fulfills the requirements of the ASME code for pressure piping as to fabrication details and materials
    • Complies with Manufacturers Standardization Society SP-69 (Type 50)
Sway Brace Finishes
    • As Is (No coating applied)
    • Galvanized
    • Coated to customer specifications

FINISH:

As is, Galvanized, or coated to customer specifications

APPLICATIONS:

Used to restrain movement of piping while allowing for movement in the other two directions.

FEATURES:

  • Effective under either tensile or compressive force.
  • Self-aligning bushings permits a plus or minus 5-degree misalignment or angular motion. Bushings are coated with dry lubricant.

HOW TO ORDER:

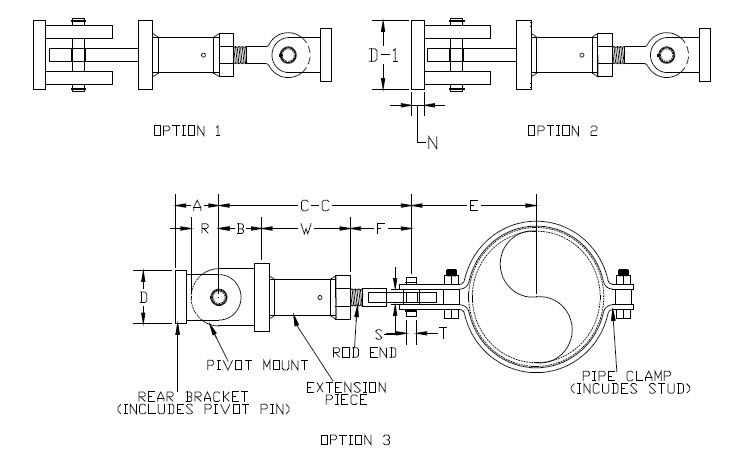
Specify assembly size, part number, name, option number, normal pipe or special O.D. and ″W″ dimensions. Alloy pipe clamps are available as a special order. The rear bracket assembly may be ordered separately. For restraint parallel to the pipe axis using two sway strut assemblies, a riser clamp is available. If a riser clamp is required, contact Rilco for assistance and information about this clamp.

Use the chart below for dimensions of sway strut

FINISH:

As is, Galvanized, or coated to customer specifications

APPLICATIONS:

Used to restrain movement of piping while allowing for movement in the other two directions.

FEATURES:

  • Assembly provides a shorter C to C dimensions
  • Effective under either tensile or compressive force.
  • Self-aligning bushings permits a plus or minus 5-degree misalignment or angular motion. Bushings are coated with dry lubricant.

HOW TO ORDER:

Specify assembly size, part number, name, O.D. or option number, if other than standard, and load.

Example: Size A-1, Part# 802 Mini Sway Strut 10 3/4 O.D. pipe, 650 lb. load. Alloy pipe clamps are available as a special order.

For restraint parallel to the pipe axis using two sway strut assemblies, a riser clamp is available. If a riser clamp is required, contact Rilco for assistance and information about this clamp.

Use the chart below for dimensions of sway strut mini

SIZE RANGE:

Preload from 50 lbs to 1800 lbs and maximum forces 200 lbs to 7200 lbs.

FINISH:

As is, Galvanized, or coated to customer specifications

APPLICATIONS:

Recommended for controlling vibration; absorbing shock, leading; guiding or restraining the movement of pipe resulting from thermal expansion and bracing a pipe line against sway.

SPECIFICATIONS:

Fulfils the requirements of the ASME code for Pressure Piping as to fabrication details and materials.

ADJUSTMENT:

The sway brace should be in the neutral position when the system is hot and operating, at which time both Spring plates should be in contact with the end plates. If they are not, the sway brace should adjusted to the neutral position by use of the load coupling.

PRELOAD ADJUSTMENT PART# 831:

Turn the preload adjustment nut until desired preload is indicated. Turn thrust nut until it is in contact with the spring plate. Lock in position. Indicated deflection must be greater than thermal movement.

FEATURES:

  • Vibration is opposed with an instantaneous counter force bringing the pipe back to normal position.
  • A single pre-loaded spring provides two-way action.
  • One spring valve saves space and simplifies design.
  • Spring has 3″ travel in either direction.
  • Accurate neutral adjustment assured.

HOW TO ORDER:

Specify part number, name, sway brace size and finish. The RILCO Part# 830 and Part# 831 consists of the sway brace only.

Use the chart below for dimensions of sway brace